
精密龍電子科技生產的輕觸開關各式各樣,有插件輕觸開關,貼片輕觸開關,帶燈輕輕觸開關,防水輕觸開關,所有開關都有各種各樣的規格型號。無論是哪個行業的哪個公司,他們都不會說所有的產品都是熱銷或者都是主推產品,精密龍電子也不例外,再厲害也不可能做到所有銷售產品都是暢銷款,所以精密龍在所有輕觸開關中一直受到客戶熱衷的輕觸開關中就是貼片輕觸開關,其次是防水輕觸開關,帶燈輕觸開關,最后是插件輕觸開關。然而在眾多的貼片輕觸開關中有幾款熱銷的型號,今天精密龍電子科技就為大家講述這幾款熱銷的貼片輕觸開關規格書,供大家參考及借鑒。
一、 貼片輕觸開關1187系列:TS-1187A、TS-1187B、TS-1187C、TS-1187N、TS-1187AB、TS-1187AS等
1、TS-1187A貼片輕觸開關規格書:
2、TS-1187B貼片輕觸開關規格書如下
3、TS-1187C貼片輕觸開關規格書
4、TS-1187N貼片輕觸開關規格書
5、TS-1187AB貼片輕觸開關規格書
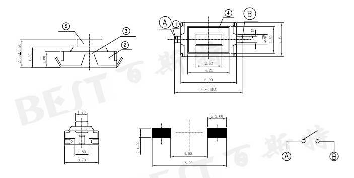
6、TS-78AS貼片輕觸開關規格書
二、貼片輕觸開關1181系列:包括TS-1181、TS-1181A、TS-1181U等型號
1、貼片輕觸開關TS-1181A規格書:
2、貼片輕觸開關TS-1181U規格書:
由于時間和空間的關系,規格書實在是太占地方,所以就暫時到此為止,還有其他的可進入http://m.ddman.com.cn/qingchukaiguan.html查看,這里不僅有貼片輕觸開關,同時哈包含了精密龍電子的大多輕觸開關型號明細及相關的參數和規格書。
使用精密龍貼片輕觸開關是應注意以下幾點
一、使用開關整機的周圍材料產生腐蝕性氣體,將有可能造成接觸不良等現象。所以用前應先確認。
二、如果貼片輕觸開關已經安裝,有其他零部件的粘結劑硬化等通過蓄熱硬化爐現象時應找專業人士解決。
三、不要在貼片輕觸開關上施加規定以上的力。
四、給貼片輕觸開關端子進行焊接時,如果在端子上施加負荷,因條件不同會有松動,變形及電特性劣化的可能,所以在使用時應注意。
正所謂內行人看門道,外行人看熱鬧,上面簡單看上去型號之間的差別就一個字母而已,但是它卻是區分每個型號輕觸開關間重要的部分,當然最直接的就是看貼片輕觸開關規格書,但是很多人是看不懂的,所以他們只能靠字母來區分。當然,為了不要那么復雜,傷腦筋,你也可以直接咨詢精密龍的電商業務元,一個電話就可搞定,直接說出你的需求跟期許,她們會根據你的要求給你推薦最合適的型號,性價比最高的產品,還猶豫什么呢,需要的就趕快拿起電話撥打0755-83031155,期待與您的合作,實現共贏。

Copyright © 廣東精密龍電子科技有限公司 版權所有 粵ICP備17035144號 粵公網安備44130202001184號
全國服務電話:0755-83205533 傳真:0755-83761155
公司地址:深圳市龍崗區龍崗大道8288號深圳大運軟件小鎮45棟2樓

